Wei Gao Приводные Технологии
Российский Филиал
|
Pусский
|
简体中文
|
English
:
полный
Название продукта
ключевое слово
Модель продукта
Краткое описание продукта
Описание продукта
Полнотекстовый поиск
Главная
О нас
О нас
Производственная мощность
Квалификация предприятия
Стандарты качества
Послепродажное обслуживание
Часто задаваемые вопросы
Связаться с нами
О производстве
Каталог
Косозубый редуктор серии R
Червячный редуктор серии S с косозубой передачей
Редуктор с косозубой конической передачей серии K
Редуктор с цилиндрической зубчатой передачей серии F с параллельным валом
Промышленный редуктор серии HB
Планетарный редуктор серии P
Планетарный редуктор серии P
Планетарная передача второй ступени (по типу)
Трехступенчатая планетарная передача (по модели)
Червячная коробка передач серии WP
Редуктор с алюминиевым корпусом серии NMRV
Циклоидальный вертушечный редуктор B/X
ZQ ZD ZL ZS Цилиндрический редуктор с мягкой поверхностью зуба
ZSY ZLYJ DBY QJ ZD DC цилиндрический зубчатый редуктор средней твердости с поверхностью зуба
Спирально-конический редуктор серии T
SWL JW JWB Червячный подъемный домкрат серии JWM
Специальный переходник серии YHJ для безгравитационного смесителя
Редуктор на валу серии SMR
двигатель переменного тока
Часто используемые двигатели универсального стандарта IEC
Y2 (YS YX3 MS) Высокоэффективный трехфазный асинхронный двигатель с алюминиевым цилиндром
Трехфазный асинхронный двигатель сверхвысокой эффективности серии YE3
Взрывозащитный взрыв, защищенный от YBX3.
Мотор преобразования частоты, защищенный от YBBP
Высокоэффективный мотор-редуктор серии RKSF
Высокоэффективный трехфазный асинхронный двигатель серии GLF
Осевой вентилятор серии YSF, специальный высокоэффективный трехфазный асинхронный двигатель
Четыре серии высокоэффективных двигателей
Однофазный конденсатор серии YC_MC запустил асинхронный двигатель
Однофазный конденсатор серии YY(MY) с асинхронным двигателем
Однофазный асинхронный двигатель с двойным конденсатором серии YL_ML
Связь
Поиск классов по модели
Система 3D - отбора
Галерея
Электронный каталог
Система 3D - отбора
Видео продукта
Поиск продуктов по модели
WH_WHCJ_CW_LCW_SCW_WD_WSJ_WXJ_A_M
WP_WPW_WPE
XWD_BWY_JXJW_XLD_JXJL_BLY_BYY_XWED_BWEY
Замените промышленный редуктор серии SEW_M_MC_.
Gear_transfer_case_PUMP_DRIVE
Редукционное смесительное оборудование
Замена российских изделий КПП
Скачать
Новости
Международное сотрудничество
Обратная связь
Контакты
Pусский
简体中文
English
:
полный
Название продукта
ключевое слово
Модель продукта
Краткое описание продукта
Описание продукта
Полнотекстовый поиск
Главная
О нас
О нас
Производственная мощность
Квалификация предприятия
Стандарты качества
Послепродажное обслуживание
Часто задаваемые вопросы
Связаться с нами
О производстве
Каталог
Косозубый редуктор серии R
Червячный редуктор серии S с косозубой передачей
Редуктор с косозубой конической передачей серии K
Редуктор с цилиндрической зубчатой передачей серии F с параллельным валом
Промышленный редуктор серии HB
Планетарный редуктор серии P
Планетарный редуктор серии P
Планетарная передача второй ступени (по типу)
Трехступенчатая планетарная передача (по модели)
Червячная коробка передач серии WP
Редуктор с алюминиевым корпусом серии NMRV
Циклоидальный вертушечный редуктор B/X
ZQ ZD ZL ZS Цилиндрический редуктор с мягкой поверхностью зуба
ZSY ZLYJ DBY QJ ZD DC цилиндрический зубчатый редуктор средней твердости с поверхностью зуба
Спирально-конический редуктор серии T
SWL JW JWB Червячный подъемный домкрат серии JWM
Специальный переходник серии YHJ для безгравитационного смесителя
Редуктор на валу серии SMR
двигатель переменного тока
Часто используемые двигатели универсального стандарта IEC
Y2 (YS YX3 MS) Высокоэффективный трехфазный асинхронный двигатель с алюминиевым цилиндром
Трехфазный асинхронный двигатель сверхвысокой эффективности серии YE3
Взрывозащитный взрыв, защищенный от YBX3.
Мотор преобразования частоты, защищенный от YBBP
Высокоэффективный мотор-редуктор серии RKSF
Высокоэффективный трехфазный асинхронный двигатель серии GLF
Осевой вентилятор серии YSF, специальный высокоэффективный трехфазный асинхронный двигатель
Четыре серии высокоэффективных двигателей
Однофазный конденсатор серии YC_MC запустил асинхронный двигатель
Однофазный конденсатор серии YY(MY) с асинхронным двигателем
Однофазный асинхронный двигатель с двойным конденсатором серии YL_ML
Связь
Поиск классов по модели
Система 3D - отбора
Галерея
Электронный каталог
Система 3D - отбора
Видео продукта
Поиск продуктов по модели
WH_WHCJ_CW_LCW_SCW_WD_WSJ_WXJ_A_M
WP_WPW_WPE
XWD_BWY_JXJW_XLD_JXJL_BLY_BYY_XWED_BWEY
Замените промышленный редуктор серии SEW_M_MC_.
Gear_transfer_case_PUMP_DRIVE
Редукционное смесительное оборудование
Замена российских изделий КПП
Скачать
Новости
Международное сотрудничество
Обратная связь
Контакты
Дом
/
Продукты
Поиск продукта
:
полный
Название продукта
ключевое слово
Модель продукта
Краткое описание продукта
Описание продукта
Полнотекстовый поиск
Категория продуктов
Косозубый редуктор серии R
Червячный редуктор серии S с косозубой передачей
Редуктор с косозубой конической передачей серии K
Редуктор с цилиндрической зубчатой передачей серии F с параллельным валом
Промышленный редуктор серии HB
Планетарный редуктор серии P
Планетарный редуктор серии P
Планетарная передача второй ступени (по типу)
Трехступенчатая планетарная передача (по модели)
Червячная коробка передач серии WP
Редуктор одноступенчатый WP (1/10-1/60)
Универсальный переходник WPW (1/10-1/60)
Редуктор WPE двухступенчатый (1/100-1/3600)
Редуктор с алюминиевым корпусом серии NMRV
Циклоидальный вертушечный редуктор B/X
ZQ ZD ZL ZS Цилиндрический редуктор с мягкой поверхностью зуба
ZSY ZLYJ DBY QJ ZD DC цилиндрический зубчатый редуктор средней твердости с поверхностью зуба
Спирально-конический редуктор серии T
SWL JW JWB Червячный подъемный домкрат серии JWM
Специальный переходник серии YHJ для безгравитационного смесителя
Электрический двигатель
Часто используемые двигатели универсального стандарта IEC
Трехфазный асинхронный двигатель сверхвысокой эффективности серии YE3
Y2 (YS YX3 MS) Высокоэффективный трехфазный асинхронный двигатель с алюминиевым цилиндром
Взрывозащитный взрыв, защищенный от YBX3.
Мотор преобразования частоты, защищенный от YBBP
Высокоэффективный мотор-редуктор серии RKSF
Редуктор на валу серии SMR
Связь
Поиск продуктов по модели
WH_WHCJ_CW_LCW_SCW_WD_WSJ_WXJ_A_M
WP_WPW_WPE
XWD_BWY_JXJW_XLD_JXJL_BLY_BYY_XWED_BWEY
Замените промышленный редуктор серии SEW_M_MC_.
Gear_transfer_case_PUMP_DRIVE
Редукционное смесительное оборудование
Замена российских изделий КПП
Все продукты
Сортировать
Пожалуйста, выберите вашу
Новое дополнение
Последний редактор
Название, A-Z
Название, Z-A
Добавить соотношение
BQ220 до 360 кВт (486 л.с.)
Запрос цены
Добавить в корзину
Подробнее >>
Добавить соотношение
BQ135 до 350 кВт (473 л.с.
Запрос цены
Добавить в корзину
Подробнее >>
Добавить соотношение
BQ135 до 350 кВт (473 л.с.)
Запрос цены
Добавить в корзину
Подробнее >>
Добавить соотношение
BQ135 до 350 кВт (473 л.с.)
Запрос цены
Добавить в корзину
Подробнее >>
Добавить соотношение
BQ126 Максимальная входная мощность 260 кВт (351 л.с.)
Запрос цены
Добавить в корзину
Подробнее >>
Добавить соотношение
BQ126 Максимальная входная мощность 260 кВт (351 л.с.)
Запрос цены
Добавить в корзину
Подробнее >>
Добавить соотношение
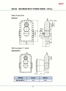
BQ126 МАКСИМАЛЬНАЯ ВХОДНАЯ МОЩНОСТЬ 260 кВт (351 л.с.)
Запрос цены
Добавить в корзину
Подробнее >>
Добавить соотношение
(B8/X11/B55)-87 циклоидный редуктор
Запрос цены
Добавить в корзину
Подробнее >>
Добавить соотношение
(B8/X11/B55)-87 циклоидный редуктор
Запрос цены
Добавить в корзину
Подробнее >>
«
1
...
299
300
301
...
874
»
Wei Gao Приводные Технологии
WeiGao Приводные Технологии — высокотехнологичное предприятие, объединяющее научные исследования, разработки, производство, продажи и сервис.
+7(950)048-68-67
ru@wgt.net.cn
Email: ru@wgt.net.cn
WhatsApp: +8615988876000
VK、WeChat : +8613456789605
РЕДУКТОР ВЕЙГАО
Главная
Каталог
О произвостве
Электронный каталог
Email
ru@wgt.net.cn
whatsApp
WhatsApp
Wechat
WeChat
QR Code
Online Service
vk
VK Online
ОБРАТНАЯ СВЯЗЬ
Отправить